Corvette C5
- RJK
- Berichten: 3684
- Lid geworden op: 17 aug 2009, 20:51
Re: Redneck
Zoiets lijkt mij ook wel wat ja.
- RJK
- Berichten: 3684
- Lid geworden op: 17 aug 2009, 20:51
Re: Redneck
Eerst morgen 950 km naar Frankrijk voor werk. Vliegen kon ook hoewel het dan alsnog dik 2 uur rijden zou zijn naar de eindbestemming. En vliegveld/vliegtuig liever nog even niet.
Maar daarna, altijd leuk hoor, wel ff checken of er nog een schnitzel restaurant geopend is in de buurt
-
OnlineRogerb
- Berichten: 1729
- Lid geworden op: 25 okt 2011, 20:16
- Auto: Bmw Z3 Coupe
Re: Redneck
Dikke verschijningRJK schreef: 25 jul 2020, 11:12 Alweer een tijdje terug wat rondjes gemaakt met de Corvette op CPZ. Het viel mij lang niet tegen eigenlijk, eerst wel onwennig want ik vertrouwde die Amerikaanse remmetjes nog niet zo. Maar dat bleek geen probleem dus toen het tempo wat opgevoerd. Knot nog bedankt voor het video-materiaal!
CPZ_1.jpg
Best zin in een roadtrip door de Alpen ofzo maar voorlopig toch maar even in de buurt blijven nog.
- Sander-E46
- Berichten: 2430
- Lid geworden op: 07 apr 2013, 12:13
-
OnlineMartijn_bmw
- Berichten: 29435
- Lid geworden op: 22 nov 2009, 13:32
- Locatie: Randstad
- Knot
- Berichten: 41605
- Lid geworden op: 01 feb 2006, 17:29
Re: Redneck
Lol... zie het niet snel gebeuren 
- RJK
- Berichten: 3684
- Lid geworden op: 17 aug 2009, 20:51
Re: Redneck
Dat C5 koplampen een ruk lichtopbrengst hebben is algemeen bekend bij Corvette eigenaren van dit model. Bij mijn auto zijn de originele lampunits ooit al eens vervangen maar ook deze zijn bagger zowel qua beeld als opbrengst.
Er zijn redelijk wat kant-en-klare oplossingen maar die zijn veelal erg duur. En ik wil in ieder geval de klapkoplampen behouden, dus C5R-achtige lampen zijn geen optie.
Vandaag heb ik onderstaande 90mm hella unit gepast. Deze zijn beschikbaar als bi-halogeen, bi-xenon of bi-led, schappelijk geprijsd, en zijn van zichzelf volledig geseald/waterdicht, dus er hoeft geen verdere behuizing om gebouwd. Montage in de klaplamp is ook vrij makkelijk te maken.

Rest mij alleen even een vraag voor iemand die wat meer kennis heeft van draadjes/electronica. Bovenstaande hella lamp werkt met één lamp. Dim/grootlicht werkt d.m.v. een intern reflectortje dat opgeklapt wordt.
De huidige koplampen zit een H4 stekker aan.

Bij dimlicht staat er (uiteraard) stroom op de dimlicht pin, zodra er naar grootlicht geswitch wordt valt de stroom op de dimlicht pin weg. Ik kan niet zomaar de dim en grootlicht pins koppelen want dan zou bijv. de grootlichtindicator op het dash ook branden bij dimlicht.
Ik weet dat ik dit bijv. met een diode zou kunnen oplossen...maar waarschijnlijk zijn er betere oplossingen...?
(het had qua bedrading makkelijker geweest om twee losse units te behouden voor groot en dimlicht, maar deze bi-halogeen units liggen er nu en passen mooi dus die moeten het maar worden)
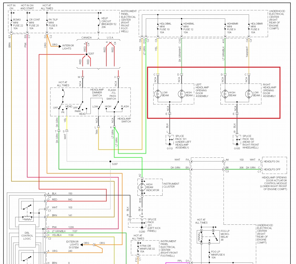
Hierbij nog het koplamp schema van de C5.
Er zijn redelijk wat kant-en-klare oplossingen maar die zijn veelal erg duur. En ik wil in ieder geval de klapkoplampen behouden, dus C5R-achtige lampen zijn geen optie.
Vandaag heb ik onderstaande 90mm hella unit gepast. Deze zijn beschikbaar als bi-halogeen, bi-xenon of bi-led, schappelijk geprijsd, en zijn van zichzelf volledig geseald/waterdicht, dus er hoeft geen verdere behuizing om gebouwd. Montage in de klaplamp is ook vrij makkelijk te maken.

Rest mij alleen even een vraag voor iemand die wat meer kennis heeft van draadjes/electronica. Bovenstaande hella lamp werkt met één lamp. Dim/grootlicht werkt d.m.v. een intern reflectortje dat opgeklapt wordt.
De huidige koplampen zit een H4 stekker aan.

Bij dimlicht staat er (uiteraard) stroom op de dimlicht pin, zodra er naar grootlicht geswitch wordt valt de stroom op de dimlicht pin weg. Ik kan niet zomaar de dim en grootlicht pins koppelen want dan zou bijv. de grootlichtindicator op het dash ook branden bij dimlicht.
Ik weet dat ik dit bijv. met een diode zou kunnen oplossen...maar waarschijnlijk zijn er betere oplossingen...?
(het had qua bedrading makkelijker geweest om twee losse units te behouden voor groot en dimlicht, maar deze bi-halogeen units liggen er nu en passen mooi dus die moeten het maar worden)
Hierbij nog het koplamp schema van de C5.
-
OnlineEric Z
- Berichten: 4283
- Lid geworden op: 28 jan 2009, 23:47
- Auto: BMW E46 330i, E46 323Ci
Re: Redneck - vraag bedrading koplampen, input vonkentrekker gewenst :)
H4 hid harness even googlen. Volgens mij zou je daar mee uit de voeten kunnen.
Edit, ballasten moet je ook nog hebben, of zit dat bij de Hella lamp?
Edit, ballasten moet je ook nog hebben, of zit dat bij de Hella lamp?
- RJK
- Berichten: 3684
- Lid geworden op: 17 aug 2009, 20:51
Re: Redneck - vraag bedrading koplampen, input vonkentrekker gewenst :)
Geen ballasten want ik heb gekozen voor de bi-halogeen optie. In de unit zit dus een simpel H7 lampje. En groot/dimlicht is afhankelijk van de stand van de interne reflector. Maar, door te zoeken op wat jij zei (H4 hid harness) kwam ik dit tegen en volgens mij is dat precies wat ik zoek.

https://www.retrofitlab.com/nl/h4-diode.html

https://www.retrofitlab.com/nl/h4-diode.html
-
Crookie
- Berichten: 4607
- Lid geworden op: 09 nov 2017, 12:34
- Auto: Dikke Bmw
- Locatie: München
Re: Redneck - vraag bedrading koplampen, input vonkentrekker gewenst :)
Reinier, schakelt een intern relais niet dim/grootlicht bij het overhalen van de hendel?
Dus stroom op low/high beam zodra jij de schakelaar los en aanhaalt. Dat zou voor mij de enige logische verklaring zijn. En anders even nameten.
Dus stroom op low/high beam zodra jij de schakelaar los en aanhaalt. Dat zou voor mij de enige logische verklaring zijn. En anders even nameten.
-
Gijzert
- Berichten: 5526
- Lid geworden op: 01 aug 2013, 19:48
Re: Redneck - vraag bedrading koplampen, input vonkentrekker gewenst :)
Ik zou dan ook gelijk overstappen naar led ipv halogeen. Nog meer opbrengst.
- RJK
- Berichten: 3684
- Lid geworden op: 17 aug 2009, 20:51
Re: Redneck - vraag bedrading koplampen, input vonkentrekker gewenst :)
Klopt helemaal. Maar hoe los ik daarmee het probleem op? Misschien had ik even een schemaatje moeten tekenen om het probleem te verduidelijken. Maar bij navraag blijkt dat het kabeltje hierboven precies doet wat ik zoek en is plug&play, dus alweer opgelostCrookie schreef: 14 okt 2020, 20:58 Reinier, schakelt een intern relais niet dim/grootlicht bij het overhalen van de hendel?
Dus stroom op low/high beam zodra jij de schakelaar los en aanhaalt. Dat zou voor mij de enige logische verklaring zijn. En anders even nameten.
- RJK
- Berichten: 3684
- Lid geworden op: 17 aug 2009, 20:51
Re: Redneck - vraag bedrading koplampen, input vonkentrekker gewenst :)
Zeker waar. De led units zijn echter wel véél duurder dus ik wilde eerst eens passen/meten met de goedkopere halogeen units. Die led units zijn wel 1op1 uitwisselbaar dus als dit allemaal goed bevalt en ik wil verder upgraden dan bestel ik die alsnog en zitten ze er met een half uurtje in.Gijzert schreef: 14 okt 2020, 22:01 Ik zou dan ook gelijk overstappen naar led ipv halogeen. Nog meer opbrengst.
-
Gijzert
- Berichten: 5526
- Lid geworden op: 01 aug 2013, 19:48
Re: Redneck - vraag bedrading koplampen, input vonkentrekker gewenst :)
Even bij Ali bestellen.RJK schreef: 14 okt 2020, 23:11Zeker waar. De led units zijn echter wel véél duurder dus ik wilde eerst eens passen/meten met de goedkopere halogeen units. Die led units zijn wel 1op1 uitwisselbaar dus als dit allemaal goed bevalt en ik wil verder upgraden dan bestel ik die alsnog en zitten ze er met een half uurtje in.Gijzert schreef: 14 okt 2020, 22:01 Ik zou dan ook gelijk overstappen naar led ipv halogeen. Nog meer opbrengst.
€ 5,61 16% Off | 4 Stuks Mini H7 + H7 Combo Led Koplamp Kit Bollen Hoge Dimlicht 120W 26000LM 6000K
https://a.aliexpress.com/_BOUvZN
- matthyssie
- Berichten: 6242
- Lid geworden op: 10 aug 2012, 23:54
- Auto: F11 520d & E86 3.0si
- Locatie: VAM-berg
Re: Redneck - vraag bedrading koplampen, input vonkentrekker gewenst :)
6000k is wel een vreselijk blauwe kleur. Ca 4300-4500k is het best zichtbaar voor het menselijk ook en ziet eruit als oem xenon/led
- TomK
- Berichten: 48
- Lid geworden op: 16 apr 2013, 22:04
Re: Redneck - vraag bedrading koplampen, input vonkentrekker gewenst :)
Heb je minder lichtopbrengst ivm led lampjes geen 360 graden lichtopbrengst hebben zoals halogeen en xenon.Gijzert schreef: 15 okt 2020, 06:20Even bij Ali bestellen.RJK schreef: 14 okt 2020, 23:11Zeker waar. De led units zijn echter wel véél duurder dus ik wilde eerst eens passen/meten met de goedkopere halogeen units. Die led units zijn wel 1op1 uitwisselbaar dus als dit allemaal goed bevalt en ik wil verder upgraden dan bestel ik die alsnog en zitten ze er met een half uurtje in.Gijzert schreef: 14 okt 2020, 22:01 Ik zou dan ook gelijk overstappen naar led ipv halogeen. Nog meer opbrengst.
€ 5,61 16% Off | 4 Stuks Mini H7 + H7 Combo Led Koplamp Kit Bollen Hoge Dimlicht 120W 26000LM 6000K
https://a.aliexpress.com/_BOUvZN
Krijg je vlekken in je lichtbeeld door de licht spots van de leds richting de reflector
Hella led units daar integen zijn daarvoor gebouwd, maar aftermarked leds in een halogeen of xenon reflector geeft altijd minder opbrengst.
- RJK
- Berichten: 3684
- Lid geworden op: 17 aug 2009, 20:51
Re: Redneck - vraag bedrading koplampen, input vonkentrekker gewenst :)
Precies wat TomK zegt. Als er ooit led in komt dan meteen origineel Hella. Maar van wat ik heb gelezen is de lichtopbrengst van de bi-halogeen units al heel goed, zeker vergeleken met de originele Corvette koplampen.
-
Gijzert
- Berichten: 5526
- Lid geworden op: 01 aug 2013, 19:48
Re: Redneck - vraag bedrading koplampen, input vonkentrekker gewenst :)
Ik heb even snel led op ali opgezocht. Kwam deze tegen waar er 1000 verschillende zijn.matthyssie schreef: 15 okt 2020, 07:06 6000k is wel een vreselijk blauwe kleur. Ca 4300-4500k is het best zichtbaar voor het menselijk ook en ziet eruit als oem xenon/led
-
Gijzert
- Berichten: 5526
- Lid geworden op: 01 aug 2013, 19:48
Re: Redneck - vraag bedrading koplampen, input vonkentrekker gewenst :)
Ik snap best dat origineel Hella beter is maar ali led is beter dan origineel halogeen is mijn ervaring.RJK schreef: 15 okt 2020, 08:23 Precies wat TomK zegt. Als er ooit led in komt dan meteen origineel Hella. Maar van wat ik heb gelezen is de lichtopbrengst van de bi-halogeen units al heel goed, zeker vergeleken met de originele Corvette koplampen.
-
Crookie
- Berichten: 4607
- Lid geworden op: 09 nov 2017, 12:34
- Auto: Dikke Bmw
- Locatie: München
Re: Redneck - vraag bedrading koplampen, input vonkentrekker gewenst :)
Ah, ok dus de aansluiting rond maken. Opgelost.RJK schreef: 14 okt 2020, 23:07Klopt helemaal. Maar hoe los ik daarmee het probleem op? Misschien had ik even een schemaatje moeten tekenen om het probleem te verduidelijken. Maar bij navraag blijkt dat het kabeltje hierboven precies doet wat ik zoek en is plug&play, dus alweer opgelostCrookie schreef: 14 okt 2020, 20:58 Reinier, schakelt een intern relais niet dim/grootlicht bij het overhalen van de hendel?
Dus stroom op low/high beam zodra jij de schakelaar los en aanhaalt. Dat zou voor mij de enige logische verklaring zijn. En anders even nameten.![]()
- RJK
- Berichten: 3684
- Lid geworden op: 17 aug 2009, 20:51
Re: Corvette C5
Dat die mooie 90 mm bi-halogeen Hella projectors in de kleppen zouden passen was al duidelijk, maar het moest nog wel even gemonteerd worden natuurlijk.
Dat viel erg mee, een paar aluminium plaatjes en vulbusjes gemaakt en het zat alweer.
Maar even wat afwerking maken ook.
Gespoten en in de kappen gelijmd, die gemonteerd en het zit.
Het ziet er natuurlijk weinig origineel uit...maar die kleppen bijven toch lekker dicht als het niet donker is. En eindelijk wel licht in de duisternis nu. Ruim voldoende opbrengst en een beeld wat je mag verwachten van ECE gecertificeerde koplampen. Tenminste ook geen gezeur meer bij de volgende APK keuring.
Dat viel erg mee, een paar aluminium plaatjes en vulbusjes gemaakt en het zat alweer.
Maar even wat afwerking maken ook.
Gespoten en in de kappen gelijmd, die gemonteerd en het zit.
Het ziet er natuurlijk weinig origineel uit...maar die kleppen bijven toch lekker dicht als het niet donker is. En eindelijk wel licht in de duisternis nu. Ruim voldoende opbrengst en een beeld wat je mag verwachten van ECE gecertificeerde koplampen. Tenminste ook geen gezeur meer bij de volgende APK keuring.
- 328Ti
- Berichten: 3114
- Lid geworden op: 26 nov 2012, 23:10
Re: Corvette C5
Vet zeg! Ik vind het er juist mooier op geworden!
-
OnlineEric Z
- Berichten: 4283
- Lid geworden op: 28 jan 2009, 23:47
- Auto: BMW E46 330i, E46 323Ci
Re: Corvette C5
Lekker aan het knutselen weer!
Foto’tje van het geheel gemaakt toevallig?
Foto’tje van het geheel gemaakt toevallig?
- Eric H
- Berichten: 3641
- Lid geworden op: 15 feb 2008, 10:09
- Auto: Mazda CX-30 SkyActivX
- Locatie: Zoetermeer
Re: Corvette C5
Mooi stukkie huisvlijt zeg !!
En idd, ben benieuwd naar een foto van het gehele front.
En idd, ben benieuwd naar een foto van het gehele front.
Wie is er online
Gebruikers op dit forum: Bing [Bot], Google [Bot], Marc Sierra, MarcH, Rogerb, SvB en 22 gasten
